How Does a DCDC Constant Current Chip Work in High-Precision Power Regulation?

2025-12-19 - Leave me a message

Article Abstract

A DCDC Constant Current Chip is a core component in modern power management systems, designed to deliver a stable and controllable output current regardless of load or input voltage variations. This article provides a comprehensive technical overview of how DCDC Constant Current Chips function, examines key electrical parameters, explores real-world application scenarios, and answers frequently asked technical questions. The content is structured to support engineering decision-making, component selection, and long-term system optimization while aligning with current search behavior and professional reading habits.

AS6911SGA


Table of Contents


Content Outline

  • Fundamental working principles and internal architecture
  • Detailed explanation of electrical and thermal parameters
  • Industrial, automotive, and consumer electronics applications
  • Technical FAQs addressing common engineering challenges
  • Future development trends and system-level integration

1. How Is a DCDC Constant Current Chip Designed to Regulate Current?

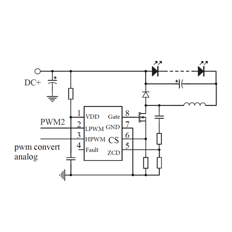
A DCDC Constant Current Chip is a switching-mode power management integrated circuit that maintains a fixed output current by dynamically adjusting duty cycle, switching frequency, and feedback control loops. Unlike constant voltage regulators, the primary control variable is current rather than voltage, making this type of chip essential for loads such as LEDs, laser diodes, battery charging circuits, and precision sensors.

Internally, the chip integrates a high-speed error amplifier, current sense comparator, reference voltage source, and power MOSFET driver. The current flowing through the load is sampled via an internal or external sense resistor. This sensed signal is compared against a reference threshold, and the control logic adjusts switching behavior to compensate for line or load changes.

The central design objective is current stability under varying input conditions. By operating in buck, boost, or buck-boost topologies, a DCDC Constant Current Chip can support wide input voltage ranges while preserving efficiency and thermal safety.


2. How Do Key Parameters Define the Performance of a DCDC Constant Current Chip?

Selecting an appropriate DCDC Constant Current Chip requires close evaluation of its electrical, thermal, and control characteristics. These parameters directly affect system reliability, efficiency, and compliance with regulatory standards.

Parameter Typical Range Technical Significance
Input Voltage Range 3V – 60V Defines compatibility with battery packs, adapters, or industrial buses
Output Current Accuracy ±1% to ±5% Determines precision of current regulation under dynamic loads
Switching Frequency 100kHz – 2MHz Affects efficiency, EMI performance, and passive component size
Efficiency 85% – 98% Directly influences thermal dissipation and power loss
Thermal Protection 150°C – 170°C Shutdown Prevents device failure under overload or insufficient cooling

Advanced devices also integrate features such as soft-start control, PWM dimming interfaces, analog current adjustment, and fault diagnostics. These capabilities simplify system-level design and reduce the need for external circuitry.


DCDC Constant Current Chip – Common Questions and Answers

Q: How does a DCDC Constant Current Chip maintain stable output when input voltage fluctuates?

A: The chip continuously monitors load current through a feedback loop and adjusts the switching duty cycle in real time, compensating for any changes in input voltage without altering the regulated current level.

Q: How is heat managed in high-current DCDC Constant Current Chip applications?

A: Heat is managed through high-efficiency switching topologies, low RDS(on) MOSFETs, thermal shutdown circuits, and optimized PCB layouts that improve heat dissipation.

Q: How does a constant current chip differ from a constant voltage regulator in system design?

A: A constant current chip prioritizes current accuracy rather than voltage stability, making it suitable for current-sensitive loads where voltage may vary depending on operating conditions.


3. How Is a DCDC Constant Current Chip Applied Across Industries?

DCDC Constant Current Chips are widely deployed across multiple industries due to their flexibility and efficiency. In solid-state lighting systems, they ensure uniform brightness and extend LED lifespan. In automotive electronics, they support adaptive lighting, instrument clusters, and battery management subsystems.

Industrial automation systems use these chips to drive sensors, actuators, and optical components that require predictable current behavior. Medical devices rely on constant current regulation to guarantee signal accuracy and patient safety. Consumer electronics benefit from compact integration and low power consumption, particularly in portable devices.

Each application scenario imposes unique electrical and environmental requirements, reinforcing the importance of selecting a chip with appropriate protection features and control interfaces.


4. How Will DCDC Constant Current Chip Technology Evolve?

The evolution of DCDC Constant Current Chip technology is driven by increasing demand for higher efficiency, wider input voltage tolerance, and intelligent control. Future designs emphasize digital control loops, adaptive current scaling, and tighter integration with microcontrollers and communication interfaces.

Wide-bandgap semiconductor materials such as GaN and SiC are influencing next-generation architectures by enabling higher switching frequencies and reduced conduction losses. Additionally, system-on-chip integration is reducing footprint while enhancing reliability.

As power systems become more distributed and intelligent, constant current regulation will remain a foundational capability supporting energy efficiency and performance optimization.


Shenzhen Cokintech Co., Ltd. focuses on the development and supply of high-performance DCDC Constant Current Chip solutions tailored for industrial, automotive, and advanced electronics applications. Through continuous engineering refinement and quality-driven manufacturing, the company supports stable and scalable power management designs.

For technical consultations, parameter customization, or application-specific recommendations, please contact us to discuss project requirements and long-term collaboration opportunities.

Send Inquiry

X
We use cookies to offer you a better browsing experience, analyze site traffic and personalize content. By using this site, you agree to our use of cookies. Privacy Policy